INVT make 300L Series Elevator Ac Drives
Your Trusted Industry Automation Solution Provider
Features
Safety
- Safe Torque Off (STO)
- Support optional Built-in Safety Torque Off function, and conform to the standard and grade as follows:
Forced deceleration
- Prevent the lift from soaring to the top or diving to the bottom during the upward or downward running.
Emergency running
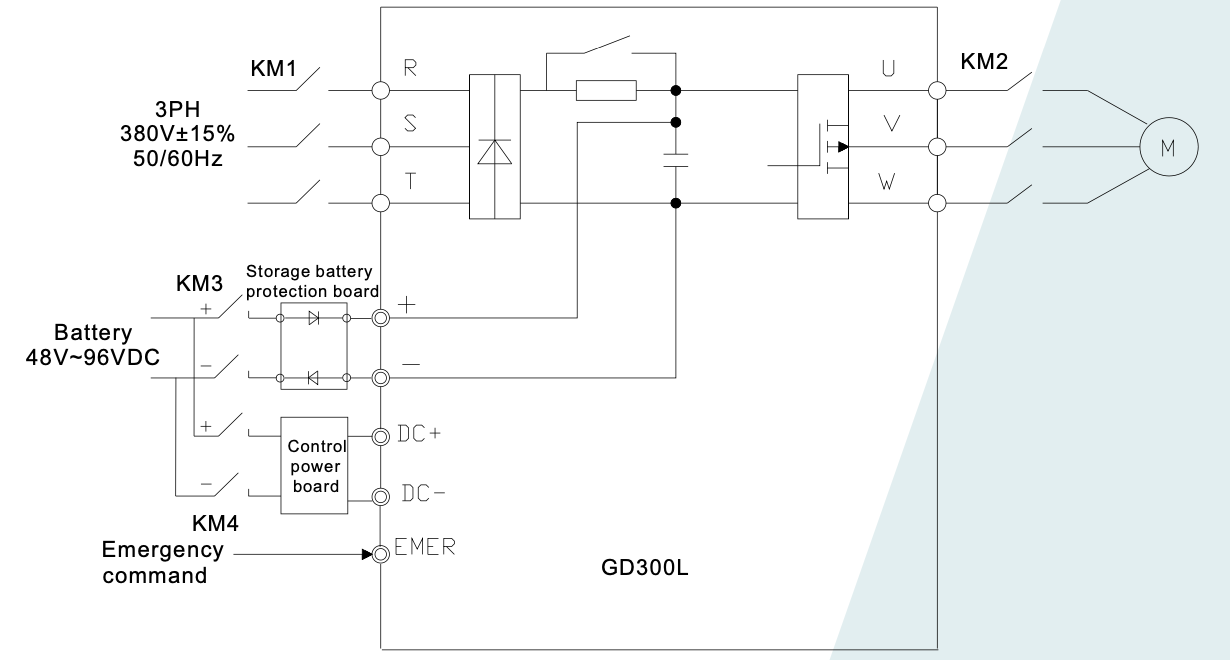
- When the AC power failure, the control system connects the UPS (voltage≥300V) or battery (48V≤voltage≤96V) to the main circuit terminals (+) and (-) of the AC drive by the bypass switch. The AC drive implements automatic adjacent levelling and shutdown after receiving the emergency running speed and running direction commands (FWD/REV). Note: When using the emergency running function,battery rescue device need to be selected(Refer to page 12 for details ).
PG Card
Incremental Encoder PG card: EC-PG101-05/EC-PG101-12/EC-PG101-24
- The Incremental Encoder PG card can be divided into three kinds according to the voltage of power: 5V, 12V and 24V, corresponding to the input voltage range respectively is: 4.75~7V 、11.75~16V、24V±5%.
SIN/COS Encoder PG card: EC-PG102-05 (DB15 Pin connector type\Terminal type)
UVW Encoder PG card: EC-PG103-05 (DB15 Pin connector type\Terminal type)
Absolute Encoder PG card: EC-PG106-05 (DB15 Pin connector type\Terminal type)
- Note: DB15 pin connector type and terminal type are optional for all PG card except incremental encoder PG card.
Filter
- GD300L support the following optional filters, which meet EMI C2 requirement.
We Provide The Best Automation Products in Industry
Automation for a Changing World
